Tehničko crtanje

Tehnički crteži predstavljaju najvažniji dio tehničke dokumentacije. U različite svrhe njima se koristi velik broj tehničkog osoblja različitog stupnja naobrazbe. Zbog toga oni moraju na jasan jednostavan i razumljiv način jednoznačno definirati prikazani objekt ili sustav.

Pri tome je važna primjena jednoznačno utvrđenih normi i pravila. Propisi kojima se utvrđuju pravila izradbe tehničkih crteža obuhvaćeni su nacionalnim normama npr. DIN (Deutsche Industrie Norm) ili ANSI (American National Standard Institute), a posebice za područje elektrotehnike jedinstvenim međunarodnim normama IEC (Internatinal Electrotechnical Commission).


Vrste tehničkih crteža

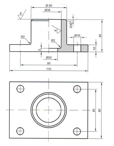
Radionički crtež

Sklopni crtež

Instalacijski crtež

Shematski crtež

Skica

Izometrijski crtež

Ortogonalni crtež