TEHNIČKO CRTANJE
Tehnički crteži predstavljaju najvažniji dio tehničke dokumentacije. U različite svrhe njima se koristi velik broj tehničkog osoblja različitog stupnja naobrazbe. Zbog toga oni moraju na jasan jednostavan i razumljiv način jednoznačno definirati prikazani objekt ili sustav.
Pri tome je važna primjena jednoznačno utvrđenih normi i pravila. Propisi kojima se utvrđuju pravila izradbe tehničkih crteža obuhvaćeni su nacionalnim normama npr. DIN (Deutsche Industrie Norm) ili ANSI (American National Standard Institute), a posebice za područje elektrotehnike jedinstvenim međunarodnim normama IEC (Internatinal Electrotechnical Commission).
1. Pribor za tehničko crtanje
U pribor za tehničko crtanje spada: tehnička olovka, trokuti, ravnala, kutomjeri, krivuljari, šablone i šestari.


Trokuti za tehničko crtanje:
1. Jednakokračni, pravokutni trokut 45° – 90° – 45°
2. Raznostranični, pravokutni trokut 60° – 90° – 30°
1.1. Uporaba pribora za crtanje u tehničkom crtanju
- Crtanje okomitih i paralelnih pravaca
- Mjerenje kutova
- Crtanje kutova 60°, 30°, 120°, 90°, 45° i 75°
Primjer 1. - Uporaba pribora za tehničko crtanje
Primjer 2. - Mjerenje šiljatih kutova < 90°
Primjer 3. - Mjerenje tupog kutova >90°
Primjer 4. - Mjerenje izbočenog kuta >180°
Primjer 5. - Konstrukcija kuta od 60°, uz pomoć šestara i ravnala
Primjer 6. - Konstrukcija kuta od 30°, uz pomoć šestara i ravnala
2. Osnovna pravila u tehničkom crtanju
Osnovna pravila u tehničkom crtanju obuhvaćaju:
❶ Širinu crta,
❷ Vrstu crta,
❸ Oblik tehničkog pisma,
❹ Izgled i način kotiranja,
❺ Formate papira,
❻ Mjerila crtanja i
❼ Zaglavlje crteža.
❶ Širina crta u tehničkom crtanju
Širine crta se u tehničkom crtanju označavaju bojama, npr.:
○ 0,7 mm plavom
○ 0,5 mm smeđom
○ 0,35 mm žutom
○ 0,25 mm bijelom
Prema ISO sustavu na jednom papiru se primjenjuju tri širine crta, npr.:
❶ 0.7 mm, 0.5 mm i 0.35 mm
❷ 0.5 mm, 0.35 mm i 0.25 mm
❸ 0.35 mm, 0,25 mm i 0,18 mm
Na A4 formatu papira se najčešće crta tehničkom olovkom širinom crta 0,5 mm. Uz malu vježbu, lako se povlače crte uže crte 0.35 mm i još uže 0.25 mm.
U crtanju na računalu kada je predviđen ispis na formatu A4 lijepi rezultati se postižu skupinom crta 0.35 mm, 0.25 mm i 0.18 mm.
❷ Vrste crta
U tehničkom crtanju koriste se pet osnovnih vrsta crta:
Prijedlog za crtanje crta:
Namjena crta:

Primjer primjene crta u tehničkom crtanju, na radioničkog crteža vješalice:
Primjer primjene crta u tehničkom crtanju, na primjeru radioničkog crteža otvorenog ključa 13-17:
Primjer primjene crta u tehničkom crtanju, na primjeru radioničkog crteža otvorenog ključa za plin:
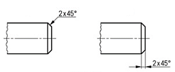
Primjer primjene crta u tehničkom crtanju, na primjeru radioničkog crteža vijka i matice s šesterokutnom glavom i metričkim navojem M30:
❸ Oblik tehničkog pisma
❹ Izgled i način kotiranja
Pravila nanošenja mjernih kota:
- svaka mjera na crtežu se kotira samo jednom;
- mjere u mašinstvu se predstavljaju u milimetrima, a jedinica mjere se ne piše;
- kotne linija se crtaju punom tankom linijom, a ivice premeta punom debelom linijom;
- pomoćna kotna linija prelazi kotnu strelicu 1-3 mm;
- udaljenost prve kotne linije od ruba predmeta je 11 mm, a svake sljedeće paralelne kote 8 mm;
- kotni broj ne smije dodirivati kotnu liniju i uvijek se piše na sredini kotne linije;
- dužina kontne strelice je 4-5 mm;
- visina kotnog broje je 3-4 mm;
- kotni brojevi se pišu tehničkim pismom.
Greške prilikom kotiranja:
a) dužina i oblik kotne strelice (strelica treba da bude uska i dužine 3-4 mm
b) položaj kotnog broja (kotni broj iznad sredine kotne linije i ne smije da dodiruje kotnu liniju)
c) jedinica mjere se ne piše pored kotnog broja.
d) ista dimenzija na predmetu se kotira samo jednom (može gore ili dolje, ali ne na oba mjesta)
e) pomoćna kotna linija prelazi kotnu strelicu 1 – 2 mm (greška lijevo), a kotna strelica ne smije da
prelazi pomoćnu kotnu liniju (greška desno),
f) svi kotni brojevi na crtežu moraju biti iste visine (visina kotnog broja 3-4 mm),
g) udaljenost prve kotne linije od ruba predmeta je 11 mm, a svake sljedeće je po 8 mm ( na slici je obrnuto). Na desnoj su prikazani zadovoljavajući razmaci između mjernica.
Ispravni primjeri i vrste kota:
❺ Formati papira
Osnovni format papira za tehničko crtanje je A0. Prvi manji format je A1, a zatim A2, pa A3, A4, A5 ...
Dimenzije formata A4 su 210 x 297 mm.
Format A3 čine dva formata A4 pa ima dimenzije 420 x 297 mm.
Format A2 čine dva formata A3 pa ima dimenzije 594 x 420 mm.
❻ Mjerilo crtanja
Ako se predmet ne može nacrtati u prirodnoj veličini, onda se crta umanjeno ili uvećano.
❼ Zaglavlje crteža i okvir papira za crtanje
Svaki crtež ima okvir i sastavnicu. U sastavnicu se upisuju podatci o:
○ Crtežu: mjerilo, naziv crteža, broj crteža, šifra vježbe
○ Crtaču: ime i prezime, datumu crtanja
○ Pregledu crteža: datum, tko je pregledao i ocjena
Crtež prikazuje zaglavlje radioničkog crteža:
2. Osnovne geometrijske konstrukcije
Osnovne geometrijske konstrukcije imaju osnovni zadatak da se savlada pravilnom načinu konstruiranja elementarnih geometrijskih konstrukcija, kao što su:
❶ simetrale dužine i kutova,
❷ konstrukcije kružnih lukova,
❸ pravilnih višekuta,
❺ kružnih prijelaza.
Sve navedene osnovne geometrijske konstrukcije kasnije će biti sastavni dio složenijih tehničkih crteža.
❹ Spajanje dva pravca pomoću kružnog luka
❺ Spajanje luka i pravca konkavnim lukom
❻ Spajanje pravca i luka kon. kružnim lukom
❼ Spajanje dva kon. luka konkavnim lukom
❽ Konstrukcija tangente na kružnicu iz zadane točke
Primjer 1. Spajanje točke i kružnice tangentnim pravcima.
Nauči na primjeru:
Primjer 2. Spajanje dvije zadane kružnice tangentnim pravcima.
Nauči na primjeru:
❾Konstrukcija pravilnog mnogokuta – jednakostraničnog trokuta, zadane stranice i promjera
Primjer 1. Konstrukcija jednakostaničnog trokuta, zadane duljine stranice. a = 50 mm
Kliknite na poveznicu kako biste naučili izraditi zadanu geometrijsku konstrukciju.
Primjer 2. Konstrukcija jednakostraničnog trokuta pomoću zadanog polumjera kružnice (r). r = 30 mm
Kliknite na poveznicu kako biste naučili izraditi zadanu geometrijsku konstrukciju.
❿ Konstrukcija kvadrata i kotiranje kvadrata
Primjer 1. Konstrukcija kvadrata zadane stranice. a = 50 mm
Kliknite na poveznicu kako biste naučili izraditi zadanu geometrijsku konstrukciju.
Primjer 2. Konstrukcija kvadrata upisanog u kružnicu zadanog polumjre. r = 30 mm
Kliknite na poveznicu kako biste naučili izraditi zadanu geometrijsku konstrukciju.
⓫ Konstrukcija pravilnog peterokuta
Primjer 1. Konstrukcija pravilnog peterokuta zadane duljine stranice. a = 40 mm
Kliknite na poveznicu kako biste naučili izraditi zadanu geometrijsku konstrukciju.
⓬ Konstrukcija pravilnog šesterokuta
Primjer 1. Konstrukcija pravilnog šesterokuta upisanog u kružnicu zadanog polumjera. r = 30 mm
Kliknite na poveznicu kako biste naučili izraditi zadanu geometrijsku konstrukciju.
Primjer 2. Konstrukcija pravilnog šesterokuta zadane stranice a = 40 mm.
Kliknite na poveznicu kako biste naučili izraditi zadanu geometrijsku konstrukciju.
⓭ Konstrukcija pravilnog osmerokuta
Primjer 1. Konstrukcija pravilnog osmerokuta kojemu je zadana stranica a = 30 mm.
Kliknite na poveznicu kako biste naučili izraditi zadanu geometrijsku konstrukciju.